Hi Sir
We test some of SPF+ module and measure the module to HSRX 's signal ,but the Vp-p result is 1200mV~1300mV and over module's SPEC (300~850mV)
May I know have any register can fixed this issue? Just like termination resistor?
Thanks
This thread has been locked.
If you have a related question, please click the "Ask a related question" button in the top right corner. The newly created question will be automatically linked to this question.
Hi Sir
We test some of SPF+ module and measure the module to HSRX 's signal ,but the Vp-p result is 1200mV~1300mV and over module's SPEC (300~850mV)
May I know have any register can fixed this issue? Just like termination resistor?
Thanks
Hi Malik,
Sorry for late reply for the last 3 days are the public holidays in Taiwan.
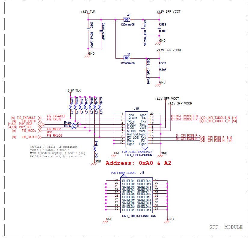
The attachment is the related part of the schematic.
Please check it.
Regards,
Roger C.
ATEN Inc.
Hi Malik,
Could you let us know your detail method and steps to measure the termination in your lab?
We will try to duplicate it in our lib.
Right now, we are trying to use the network analyzer to measure the trace impedance between SFP+ and TLK10232 (D1_XFI_RXIN_P / D1_XFI_RXIN_N)
to verify it with the impedance setting of our PCB layout rule.
Following is the related schematic and PCB layout rule, FYI.
Kai,
The test was very simple. I measured the DC resistance as seen across the RX diff pair using a multi-meter.
The method you are using right now is good to verify the trace impedance but be sure to try an measure the DC resistance at the RX diff pairs of TLK10232 when it is powered on and the HS_ENRX bit is high.
Hi Malik
Please kindly help to check my question ,May I know your idea?
1. Yes!! We follow your test step ,we can measure the 100ohm on HSRX pin ,but in this moment we use differential probe to measure the HSRX pin's waveform
the eye amplitude is 1300mVpp and over SFP+ spec (SPEC is 300~800mVpp)
2. When we remove TLK10232 IC on our board and add a 100ohm on HSRX pin ,the amplitude is 796mVpp (meet SPF+ SPEC) ,
Kai,
Are you using a high impedance probe? What are the termination settings on the scope that you are using? The first image seems to be affected by the loading caused by the probes and potential improper termination on the scope. What model of scope is being used in this test?