Tool/software: Linux
Hi Team,
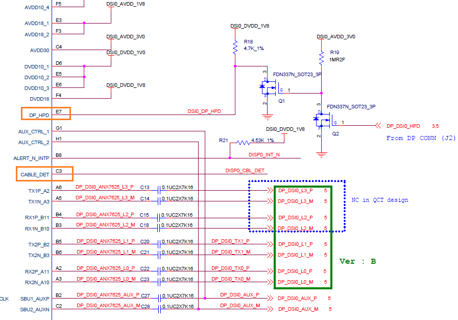
I have some question need to confirm as below items :
1. Does the HPD pin directly connect to 3.3V with 51k ohm?
2. Need to reserve 1 GPIO pin for cable detect?
3. How to switch the output of DSI 1 and DSI 2? We only need to output one way at a time.
4. What is the spec of reference clock if we use 27 MHz oscillator?
Best regards
Automotive & Industrial Solutions B.G.
Wistron NeWeb Corporation

