This thread has been locked.

If you have a related question, please click the "Ask a related question" button in the top right corner. The newly created question will be automatically linked to this question.

DS90UB953-Q1: DS90Ub954/953 Register setting data for I2C Initialize

Part Number: DS90UB953-Q1

Hi!

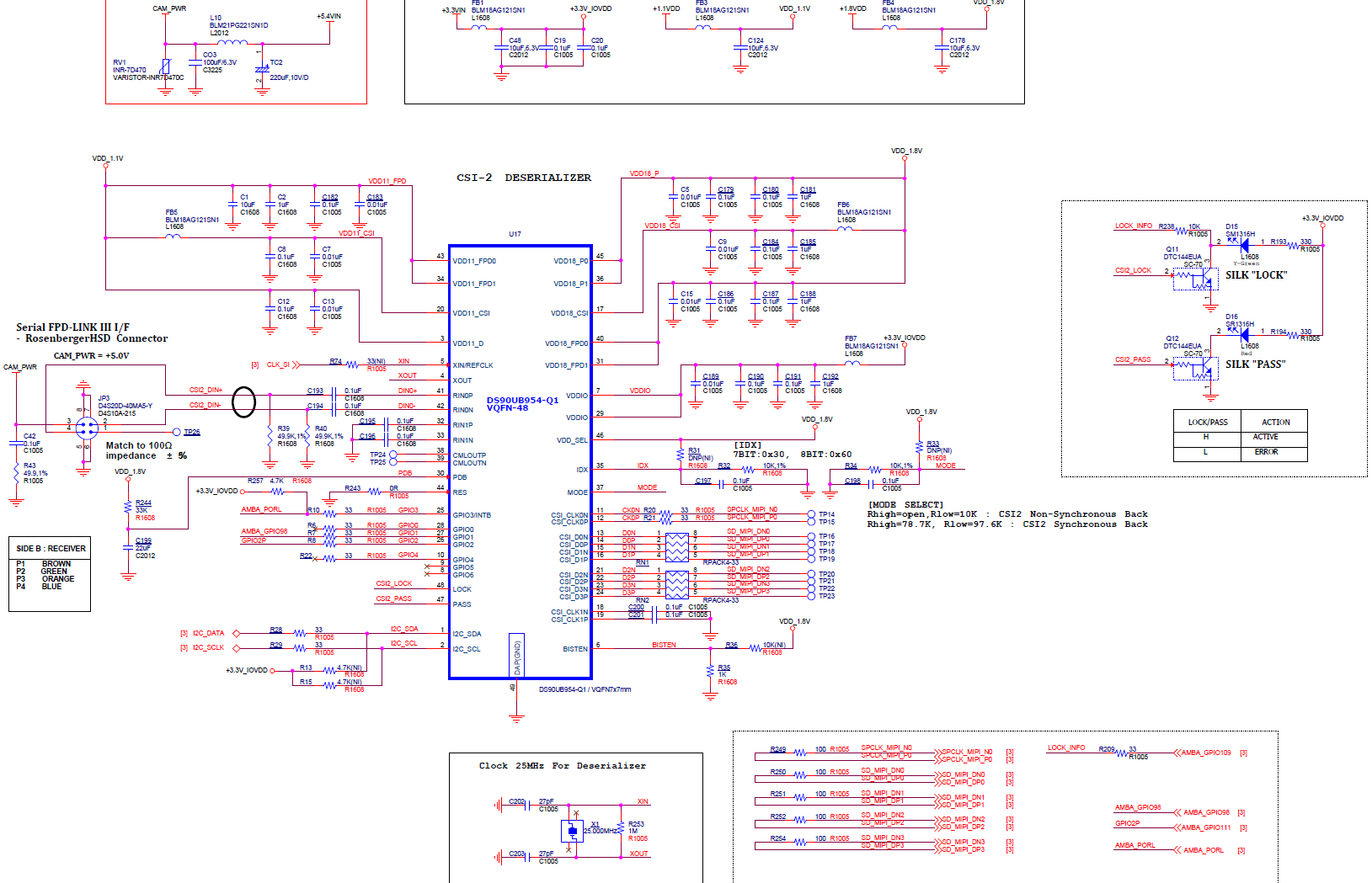
My customers are trying to configure the system through the DS90UB953 and DS90Ub954 as shown in the following blocks.

Resolution:1920x1080x30p

 

Can I get data on the register settings for I2C Initialize according to the settings below?

1.DS90Ub954 Register setting data for I2C Initialize

2.DS90Ub953 Register setting data for I2C InitializeI.

Aalso attach my customer's circuit as follows.

Please Check it.

Thank you

Best Regards

From Anthony

  • Hello Anthony,

    The programming of these devices is entirely dependent on how the customer would like to use the device. See the 954/953 datasheets for example code segments and detailed descriptions of the functionality.

    Generally speaking, the common programming steps are:

    1. Set up I2C pass through as desired in order to communicate to the remote 953/sensor (954 datasheet section 7.5.3)
    2. Program 953 settings and imager settings as desired
    3. Program desired CSI settings such as data rate, lane count, etc. and RX port forwarding (954 datasheet section 7.4.28)
    4. Enable CSI outputs

    Best Regards,
    Casey