This thread has been locked.

If you have a related question, please click the "Ask a related question" button in the top right corner. The newly created question will be automatically linked to this question.

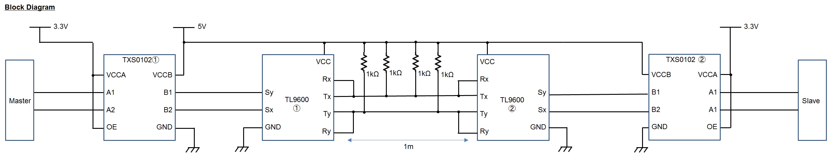
TCA9517A: Block Diagram of I2C

Part Number: TCA9517A
Other Parts Discussed in Thread: TL9600, , PCA9306

Hi Team,

Customers are considering I2C long distance transmission using TCA 9517A and TL 9600.
TL9600 is a product for amusement in Japan and is not listed on TI's web site.
I will attach the Japanese version of the data sheet.TL9600I-DS_1.0.pdf

I have the following questions.

・ Can this Block Diagram be transmitted? Is there a problem with the connection?
・ Is the pull-up resistance setting of each device correct?
Cross talk noise may be large during TL9600. Customers want to reduce noise.
In that case, I think it is necessary to increase resistance. To what extent can the resistance be increased?
・ There is about 1m between TL9600. Do you have an optimal configuration for long distance transmission?
• If you want to use TL9600 only for SDA, can SCL be connected to VCC? Do not transmit SCL.

Best Regards,
Ishiwata

  • Hey Ishiwata-san,

    "Can this Block Diagram be transmitted? Is there a problem with the connection?"

    This won't work. Sy/Sx has a static votlage offset, so does TCA9517A. This means they will not send low signals through each other. (TCA9517A can send to TL9600 but TL9600 cannot send back to TCA9517A).

    "Is the pull-up resistance setting of each device correct?"

    Pull up resistors depend on capacitance. 1 meter of cable is about 50pF plus the device's pins which might come together to be ~70pF. 1k pull ups are much stronger than you need most likely.

    "In that case, I think it is necessary to increase resistance. To what extent can the resistance be increased"

    Depends on capacitance and the di/dt during the fall transition.

    Adding a series resistor on the lines that are expected to have cross talk would help.

    "If you want to use TL9600 only for SDA, can SCL be connected to VCC? Do not transmit SCL."

    Why aren't you transmitting SCL? Are you communicating using I2C? SCL can be connected to Vcc.

    Also, is TCA9517A only being used as a level shifter? Or do you need it to buffer the TL9600's offset voltage? I am wondering if PCA9306 can be used instead as a level shifter (does not buffer signals and does not redrive the low signal!!)

    -Bobby


  • Hi Bobby-san

    Thank you for your support and contact.


    " 1k pull ups are much stronger than you need most likely. "
    -> Does the expression strong mean that the resistance is high?


    " Why aren't you transmitting SCL? Are you communicating using I2C? SCL can be connected to Vcc. "
    ->The customer transmits I2C, but wants to transmit the SCL line by another system.


    " Also, is TCA9517A only being used as a level shifter? Or do you need it to buffer the TL9600's offset voltage? I am wondering if PCA9306 can be used instead as a level shifter "
    - > Is it possible to transmit with the PCA9306 and TL9600?

    I

    It will be an additional block diagram.
    Is transmission possible with the following configuration?


    Best Regards,
    Ishiwata

  • Hey Ishiwata-san,

    "Does the expression strong mean that the resistance is high?"

    No, the opposite. A strong pull up means a low resistance while a weak pull up means a high resistance.

    "Is it possible to transmit with the PCA9306 and TL9600?"

    It is if the master/slave are okay with a VoL around 800~900mV. Remember, PCA9306 will not redrive the signal so if the VoL is large (like with TL9600) then the master/slave will also see a large VoL.

    Thanks,

    -Bobby

  • Hello Bobby-san,

    Thank you for your response.
    I understand.

    Best Regards,
    Ishiwata