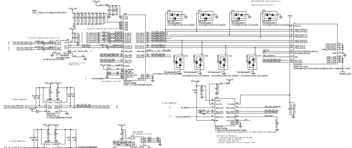
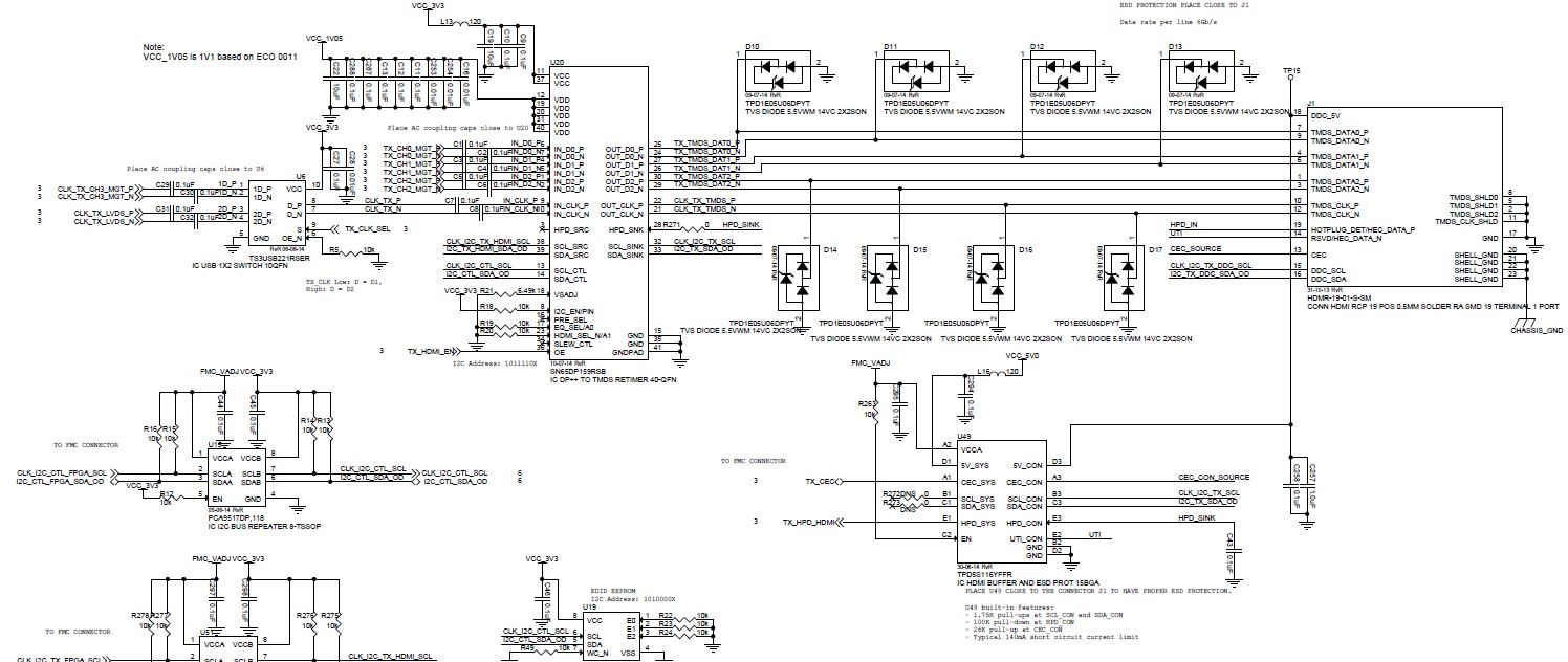
Part Number: SN65DP159
Hi, we use a board from inrevium with the SN65DP159RSB on it. We have heavy problems to get out a HDMI Signal. The strange Situation is, that we have output to a monitor only with ONE Type of a 5 m, not high quality cable. We tested a lot of cables, different sizes, high quality, short down to 75cm and Different monitors. Also a HDMI Splitter in between. Sometimes we get a output to a monitor with other cables than the "good working one" through the splitter, but than we see failure pixels on the monitor. We tried some changes on the registers. Somtime enable 75 to 150 Ohm brings a solution with splitter, but than without splitter no signal. If we use ALL of the cables and the splitters in variations with a notebook HDMI output, all is working well. We want to connect later on a 2880x 1440 VR. We have in summary 5 Systems build. On one of them the VR is running. we search many day till now without success. Now here i hear about a second page of Registers enable with 0xff to 0x01. Are there more possibilities on the second page to try out, or have you a additional idea what we can do.
