Hi Nikhil Menon
Thread as been locked https://e2e.ti.com/support/interface/f/138/p/847741/3135737#3135737
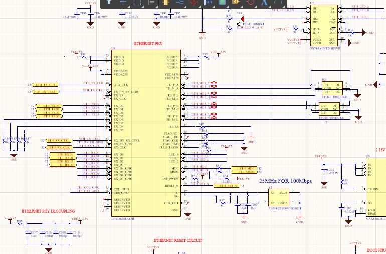
Sorry for the late reply. In our board, we have zc702 from Xilinx and dp83867 as ethernet phy. Our build environment uses petalinux. We have edited the device tree and phy gets probed successfully. We made separate builds in which clock is set of 10, 100 and 1000Mbps. For 100 and 1000 Mbps auto-negotiation happens but we never get ipv4 address and there is no connectivity. In lower rate, it works perfectly. This is why we assumed it is a length matching issue. We have attached the schematics, layout section, length matching report and the output of ifconfig we get.
Length match report:
Regards,
Praveen

