Part Number: TPS25750
Other Parts Discussed in Thread: LM3489, BQ25713,
Hi Adam,
I got TPS25750EVM and tested it. But met an issue need your help. The project file is as attached. 1122.SOURCE18W_SINK100W_TEMP.zip
1. Sink function is OK, I can see VBUS got a 20V voltage.
2. Source is not OK when charger a mobile phone.
1) D5, D6 and D10 are blinking. P3V3 = 3.3V, P5V = 5V, SYS_PWR = 20V.
2) The waveform of VBUS is as below, never negos to 9V, which is not correct.
3) The waveform of VAR_DCDC is as below,
4) Use the same mobile phone + the same wire + TPS65988EVM, it's OK to get 9V@VBUS.
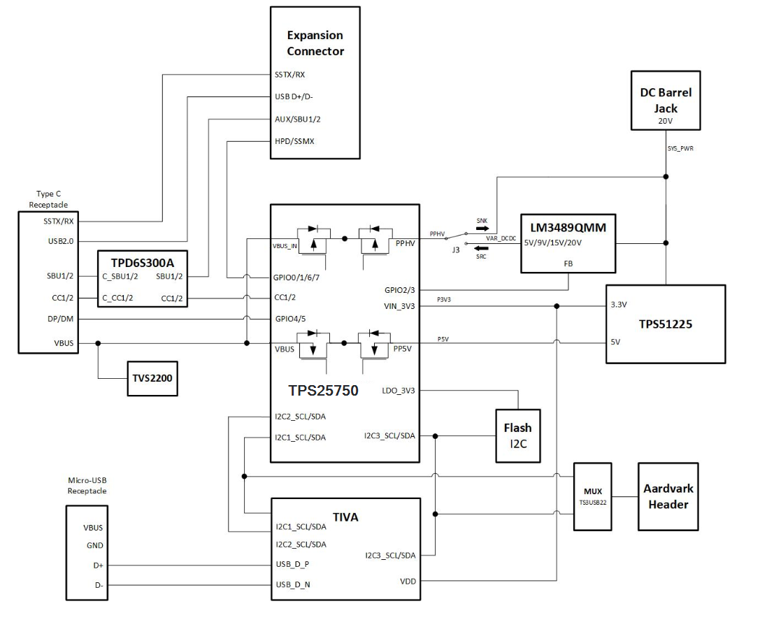
3. EVM HW set up are as below:
How to get 9V output as expected when acting as a source?
Thanks and Regards,
Holly



