Other Parts Discussed in Thread: LM5157,
Tool/software:
I am resurrecting an old thread after getting distracted by other work!

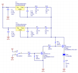
In this plot Vin is blue, Vout is yellow, and Switch Node is pin/purple. We switched to using a pulsed signal rather than a full on/off. I realize now you also asked for the CS pin, I will try to attack that addition later today.









