This thread has been locked.

If you have a related question, please click the "Ask a related question" button in the top right corner. The newly created question will be automatically linked to this question.

TPS23730: Regarding TPS23730RMTR POE circuit and power adapter design question

Part Number: TPS23730
Other Parts Discussed in Thread: PMP22477,

Tool/software:

Hi Sir,

We have a question regarding TPS23730RMTR  POE circuit and  power adapter design.

Since we are designed wifi AP product, so there have POE circuit and 12V power adapter power soruce that are co-existed in a product system.

Maybe the user will plug them at the same time. Attached file is the POE circuit and 12V power adapter power soruce block diagram description shown in a product system.

According previous practical design, we will place a schottky diode D1 at output in POE circuit.The  POE output voltage is set to 11V.

The same method is implemented in 12V power adapter voltage output, it is D2.The 12V power adapter output voltage is 12V.

The purpose is to avoid the POE circuit output voltage (11V) and 12V power adapter  output voltage(12V) circuit impacted each other when  the POE  and 12V power adapter are plugged.

In order to reduce power consumption loss in the system, we propose to remove  the schottky diode D1  and D2.

Please help to confirm if it is still workable and any impact for the circuit design when the schottky diode D1  and D2 are all removed.

Please advsie

thanks

POE&adapter_design20250227.pptx

  • Hi shermen,

    I will get back to you in 3 - 5 business days.

    Best ,

    Diang

  • Hi Shermen,

    If PoE PD is flyback converter with diode rectification. The D1 can be removed and you can use flyback's switching diode on 2nd side to block the current. You may still want to keep D2.

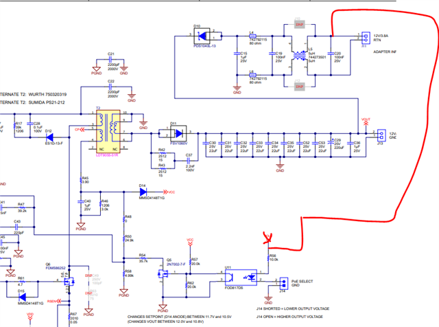
    In PMP22477 also has a 12V adapter. And you can make below red wire change to let the PD's output drop to below 12V to be 2nd priory than adapter when adapter is connected. If adapter is removed, the PD will keep normal 12V regulation voltage. 

    Best regards,

    Diang

  • Hi Sir,

    As you mentioned , the D1 can be removed and you can use flyback's switching diode on 2nd side to block the current. You may still want to keep D2.

    We have  more questions below.

    1.According to your reply (PMP22477) ,if the POE output voltage is set to 13V, is the D1 schotty diode removed as well?  And we may still want to keep D2. Is this correct? Please refer to attached file for description.

    2.If the POE output voltage is set to 13V and the POE circuit output 13V and power adapter 12V power soruce that are co-existed working at the same time for a very long time, what is the impact for this power adapter? Is this caused power adapter damaged or POE circuit damaged? 

    thanksPOE&adapter_design20250305.pptx

  • Hi shermen,

    PoE team is doing internal tests and the reply on E2E may be delayed for 3 - 5 business days. Sorry for the delay and thanks for your patience.

    Best regards,

    Diang

  • [20250307] Question:  According to your reply, the D1 diode can remove. We have below question more.

    Since we set  POE circuit output voltage is 11V, so the 12V power adapter(output voltage is 12V) is first priority when adapter is connected. So, we would like  confirm whether the the schottky diode D2 can remove or not at this design. please refer to attached file for detail.POE&adapter_design20250307.pptx

    Please help to advise

    thanks

  • Hi shermen,

    I will get back to you in 3 -7 business days. Thanks for your patience.

    Best regards,

    Diang 

  • Hi Shermen,

    Thanks for patience. 

    1. Correct you can remove D1 if TPS23730 using flyback with diode rectification has a diode on the 2nd side. Please use 12V as flyback output. D2 is needed usually. 

    2.  When you have both PoE and adapter on, they will be in passive power oring. Both should not exceed its power rating. Normally it won't have damage since no over current/voltage happens in either of PoE and adapter.

    Best regards,

    Diang

  • Hi Diang,

    So, if we set the POE output voltage is 13V or 11V for  both PoE and adapter on situation,  are your above two reply information still correct? 

    Please advise

    thanks

  • Hi Shermen,

    We will take a look on your question and get back to you in 3-7 business days. Thanks for your patience.

    Best regards,

    Diang

  • Hi Shermen,

    Thanks for your patience. 

    Yes it is same with 11V or 13V. 11V PoE will have a lower priority and 13V will have a higher priority when you do passive oring with a 12V adapter. 

    Best regards,

    Diang