This thread has been locked.

If you have a related question, please click the "Ask a related question" button in the top right corner. The newly created question will be automatically linked to this question.

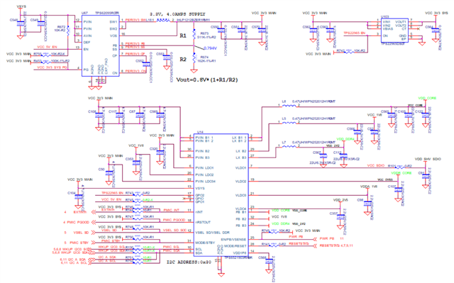
AM625: customer board can not boot

Part Number: AM625
Other Parts Discussed in Thread: SK-AM62

Hi Expert,

customer board can not boot.

AM62XX_PinB10_JTAG_nTRST -> High

TPS6521903RHBR_PMIC_PGOOD -> High

TPS6521903RHBR_PMIC_STBY -> High

AM62XX_PinF22_RESETSTATz -> High

AM62XX_PinE21_PORTz_OUT -> High

AM62XX_PinF20_RESET_REQZ->High

AM62XX_PinD16_EXTINTn -> High

AM62XX_PinD2_MCU_PORZ -> High

AM62XX_PinE11_MCU_RESETZ -> High

AM62XX_PinB12_MCU_RESETSTATZ -> High

AM62XX_PinD1_MCU_ERRORN -> High

DDR_RESET# -> Low

Y1_32.768KHZ -> No Output

SD_CARD_MMC1_CLK -> No Output

 

 Could I check any pin before CPU read boot mode?

Thanks

Daniel