Part Number: AM5728
Other Parts Discussed in Thread: TUSB8041,
Hi,
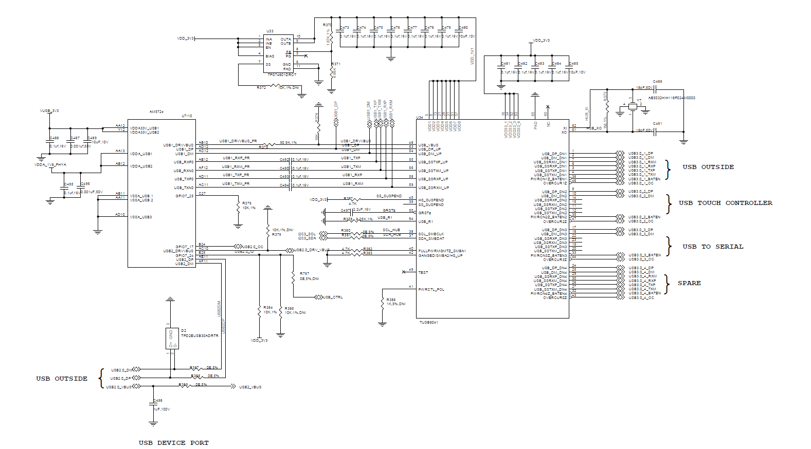
I am using TUSB8041 in my design of AM5728 which is connected to USB3.0 port of processor.Initially i had a issue of detecting devices connected to USB hub.It was power en pin of hub which was not proper once corrected it started working.
But now hub itself is not getting detected following are the logs-
root@am57xx-evm:~# lsusb Bus 002 Device 001: ID 1d6b:0003 Linux Foundation 3.0 root hub Bus 001 Device 001: ID 1d6b:0002 Linux Foundation 2.0 root hub root@am57xx-evm:~# dmesg | grep usb [ 0.841665] palmas-pmic 48070000.i2c:tps659038@58:tps659038_pmic: Looking up ldousb-in-supply from device tree [ 0.841677] palmas-pmic 48070000.i2c:tps659038@58:tps659038_pmic: Looking up ldousb-in-supply property in node /ocp/i2c@48070000/tps659038@58/tps659038_pmic failed [ 0.861024] ldousb: 3300 mV [ 0.912562] ldousb: could not add device link phy-4a084000.phy.0 err -2 [ 0.912924] ldousb: could not add device link phy-4a085000.phy.1 err -2 [ 5.823063] usbcore: registered new interface driver usbfs [ 5.828663] usbcore: registered new interface driver hub [ 5.834154] usbcore: registered new device driver usb [ 5.851466] usbcore: registered new interface driver ftdi_sio [ 5.857318] usbserial: USB Serial support registered for FTDI USB Serial Device [ 9.857426] palmas-usb 48070000.i2c:tps659038@58:tps659038_usb: GPIO lookup for consumer id [ 9.857434] palmas-usb 48070000.i2c:tps659038@58:tps659038_usb: using device tree for GPIO lookup [ 9.857452] of_get_named_gpiod_flags: can't parse 'id-gpios' property of node '/ocp/i2c@48070000/tps659038@58/tps659038_usb[0]' [ 9.857466] of_get_named_gpiod_flags: can't parse 'id-gpio' property of node '/ocp/i2c@48070000/tps659038@58/tps659038_usb[0]' [ 9.857475] palmas-usb 48070000.i2c:tps659038@58:tps659038_usb: using lookup tables for GPIO lookup [ 9.857482] palmas-usb 48070000.i2c:tps659038@58:tps659038_usb: No GPIO consumer id found [ 9.857489] palmas-usb 48070000.i2c:tps659038@58:tps659038_usb: GPIO lookup for consumer vbus [ 9.857494] palmas-usb 48070000.i2c:tps659038@58:tps659038_usb: using device tree for GPIO lookup [ 9.857508] of_get_named_gpiod_flags: can't parse 'vbus-gpios' property of node '/ocp/i2c@48070000/tps659038@58/tps659038_usb[0]' [ 9.857534] of_get_named_gpiod_flags: parsed 'vbus-gpio' property of node '/ocp/i2c@48070000/tps659038@58/tps659038_usb[0]' - status (0) [ 10.741956] phy_omap_usb2: exports duplicate symbol omap_usb2_set_comparator (owned by kernel) [ 10.841507] phy_omap_usb2: exports duplicate symbol omap_usb2_set_comparator (owned by kernel) [ 10.980386] phy_omap_usb2: exports duplicate symbol omap_usb2_set_comparator (owned by kernel) [ 11.100786] phy_omap_usb2: exports duplicate symbol omap_usb2_set_comparator (owned by kernel) [ 11.765251] phy_omap_usb2: exports duplicate symbol omap_usb2_set_comparator (owned by kernel) [ 11.866664] phy_omap_usb2: exports duplicate symbol omap_usb2_set_comparator (owned by kernel) [ 12.134072] phy_omap_usb2: exports duplicate symbol omap_usb2_set_comparator (owned by kernel) [ 12.321022] phy_omap_usb2: exports duplicate symbol omap_usb2_set_comparator (owned by kernel) [ 16.578846] dwc3 48890000.usb: Failed to get clk 'ref': -2 [ 16.609898] dwc3 488d0000.usb: Failed to get clk 'ref': -2 [ 17.069669] usb usb1: New USB device found, idVendor=1d6b, idProduct=0002, bcdDevice= 4.19 [ 17.095753] usb usb1: New USB device strings: Mfr=3, Product=2, SerialNumber=1 [ 17.179018] usb usb1: Product: xHCI Host Controller [ 17.445239] usb usb1: Manufacturer: Linux 4.19.94-rt39-ga242ccf3f1 xhci-hcd [ 17.457046] usb usb1: SerialNumber: xhci-hcd.1.auto [ 17.503956] usb usb2: We don't know the algorithms for LPM for this host, disabling LPM. [ 17.507729] usb usb2: New USB device found, idVendor=1d6b, idProduct=0003, bcdDevice= 4.19 [ 17.507739] usb usb2: New USB device strings: Mfr=3, Product=2, SerialNumber=1 [ 17.507745] usb usb2: Product: xHCI Host Controller [ 17.507751] usb usb2: Manufacturer: Linux 4.19.94-rt39-ga242ccf3f1 xhci-hcd [ 17.507757] usb usb2: SerialNumber: xhci-hcd.1.auto [ 17.933628] usb 1-1: new high-speed USB device number 2 using xhci-hcd [ 18.113713] usb 1-1: device descriptor read/64, error -71 [ 18.393965] usb 1-1: device descriptor read/64, error -71 [ 18.663643] usb 1-1: new high-speed USB device number 3 using xhci-hcd [ 18.823687] usb 1-1: device descriptor read/64, error -71 [ 19.093657] usb 1-1: device descriptor read/64, error -71 [ 19.223821] usb usb1-port1: attempt power cycle [ 19.933628] usb 1-1: new high-speed USB device number 4 using xhci-hcd [ 19.940260] usb 1-1: Device not responding to setup address. [ 20.165848] usb 1-1: Device not responding to setup address. [ 20.393626] usb 1-1: device not accepting address 4, error -71 [ 20.543623] usb 1-1: new high-speed USB device number 5 using xhci-hcd [ 20.573990] usb 1-1: unable to get BOS descriptor or descriptor too short [ 20.581020] usb 1-1: unable to read config index 0 descriptor/start: -71 [ 20.588354] usb 1-1: can't read configurations, error -71 [ 20.594088] usb usb1-port1: unable to enumerate USB device
why this error "usb 1-1: device descriptor read/64, error -71" is coming.I replaced hub and still the issue persists.
regards,
vijay

