Part Number: XTR106
Hi,
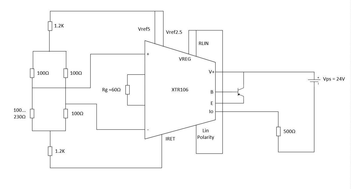
I want to use the XTR106 to create a 4-20mA signal but the signal on Iout is always 24mA.
I use RL = 500ohms and V+=24V.
I try too change the resistances values (Rg and in the bridge) but the oupt is still 24mA.
Thanks you for your help
Arthur


