Hello all!
I want to ask you if you can help me with an issue we are facing. Right now we are using the MAX3221I to get information thorush a Harshman cable to communicate two units. But we are noticing that some of our basically does not generate the -5.5V on the RS232 TX on the non working board. And we just replace the unit for another one and it starts to work. Here are some pictures of the good and bad units.
Good Part.

Bad Part.

Also we have the doubt about the marking difference. So, if anyone can help us, that will be awesome.
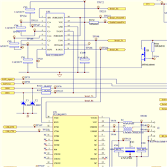
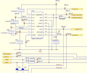
Here is a picture of the schematic.
thank you!!

